HOME | Notebooks | Tablets | Handhelds | EMBEDDED | Panels | Definitions & Specs | Ruggedness Testing | Industry leaders | About us
AiMC-3200 | AIIS-1240 | AIMB-201 · 213 · 215 · 256 · 501 | ARK-1122 · 1123 · 1388 · 2121L · 2150 · 1503 · 3399 · 3403 · 3440 · 3500
DS-062 · DS303 · DS520 · 6320 | MARS-1031 · 3100S · 3100R | MIO-5270 · 5271 · 2263 | PCM-3363 · PCM-C3500 | PPC 157T · L158T · 3120 · 6170
PWS-8101M · 8033M · 770 | SOM-5788 · 5890 · 5894 · 5897 · 6765 · 6894 · 7565
TREK-510/303 · 520/303h · 550/303h · 674/306dh · 743 · 775 · 776 | ITA-1610 DLoG MTC6 · XMT 5/7
MICA-071 | MIT-M101 | UbiQ-480 | UTC-515 · 520 | VITA-350E | home | Advantech web
Scalable Performance in Embedded Systems

Advantech SOM-5890: very high performance Intel Core i7-2715QE powered CPU module greatly increases performance range of COM-Express standard boards
(by Conrad H. Blickenstorfer)

When most people think of computers they think of desktops, notebooks and servers. And when we think of performance levels, we think of particular models or product families. What's less well known is that hundreds of millions of computers are embedded in all sorts of machinery and equipment ranging from games to digital signage, automotive applications, ATMs, and a wide variety of industrial and control systems. These computers bear little resemblance to laptops or other consumer and commercial computers; they are generally just small circuit boards, albeit boards that are designed to provide targeted functionality in a variety of industry standard form factors. And, unlike most consumer computing products, their performance is vastly scalable. In this article we're examining the Advantech SOM-5890 computer module that can accommodate the latest Intel quad core processors, and provides literally ten times the raw performance of power-optimized Intel Atom-based solutions using the very same form factor.

The very scalable Carrier Board/System-on-Module approach

Embedded systems design is very different from designing consumer or even vertical market computing products. The life cycles of these systems is much longer than the rapid-fire change in consumer products, often five to seven years. Once a design problem has been solved, there is no need to reinvent the wheel, but there is a need to keep up with new processor, interface and peripheral technologies. As a result, embedded systems often include two components. They consist of what's called a "solution" or "carrier" board that then accommodates a small System-On-Module (SOM) board that includes the CPU, chipset, memory and other core functionality. This approach frees designers and system integrators from having to design a whole new computer every time they switch processors. This way, they can design their solution, and then just pop in a new SOM. This means no more CPU integration concerns, always being able to offer the latest technologies, and getting to market very quickly. In fact, if you open some of the rugged machines we're reviewing here at RuggedPCReview.com, you'd find that many use this approach: they have a solution board and then a system-on-module based on speed and feature requirements. An additional advantage of this approach is the scalability of power. Not only can boards with older processor technology easily be replaced with newer boards in a solution that does not need changing overall (thus guarding against obsolescence), but the performance provided in a solution can vary (as we'll demonstrate) by a full order of magnitude or more.

Division of labor, and where the processor comes into play

What is the division of labor between the carrier board and the system-on-module? In general, the SOM handles the CPU as well as most of the basic circuitry. Often, the SOM covers 80% or so of all feature requirements. There are no hard rules, and designers often divide functionality according to project requirements. Simplicity is often key, as are reliability, fanless operation, cost, and power consumption. High performance may be required in some embedded systems, but a large number only need "targeted" performance, i.e. just enough to do the job at hand. This is why Intel's introduction of the Atom processors was applauded by embedded system designers. The Atom processor combines excellent efficiency with enough performance for applications where small size, thermal efficiency and power consumption matter. On the other hand, if a solution requires maximum power, the system-on-module approach makes that possible by delivering the latest high performance processor technology on the very same type of module.

The SOM-5890 Embedded Intel Core i3/i5/i7 COM-Express Module by Advantech

After having reviewed and benchmarked a variety of Intel Atom-based COM-Micro and COM-Express standard modules in the past, in this article we're taking a look at the Advantech SOM-5890 COM-Express board. COM-Express boards have a very compact board footprint measuring just 95 x 125mm (3.74 x 4.92 inches). If you wonder how COM-Micro and COM-Express compare, COM-Micro boards perform largely the same functions and also have the exact same pin definitions as COM-Express boards. The only obvious difference is size (95 x 95 vs 95 x 125 mm).

The picture below shows the Advantech SOM-5890 board, with the top shown on the left and the bottom on the right. On the top you can see the square Intel QM67 chipset and next to it the rectangular Intel Core processor. On top are two 204-pin SODIMM sockets that can each accommodate up to 8GB of DDR3 ECC memory. The bottom shows the two standard COM Express connectors with a total of 440 pins in four rows (A-D). The pins are combined into two strips of 220 pins each, X1 and X2, and are used for all communication between the SOM module and the carrier board.

Powerful Intel Core processors

What sets the SOM-5890 apart is that it was designed for use with Intel's latest generation of mobile Core processors. The first generation of i3/i5/i7 processors was introduced late 2009/early 2010 as the successor to the Core 2 Duo families, adding a variety of new processor technologies (including Intel Turbo Mode) as well as integration of graphics cores into the CPU itself, and switching to 32nm process technology. The second generation of Core i3/i5/i7 chips, code-named "Sandy Bridge," was released early 2011, offering faster and even more integrated graphics, better turbo boost, a variety of new video features, more special Intel technologies, and a series of new chipsets. Of these new processors, Advantech offers the following in the SOM-5890:
  • Intel Core i7-2715QE (quad-core, 6mb cache, 2.1 GHz, 45w TDP)
  • Intel Core i7-2655LE (dual-core, 4mb Cache, 2.2 GHz, 25w TDP)
  • Intel Core i7-2610UE (dual-core, 4mb Cache, 1.5 GHz, 17w TDP)
  • Intel Core i5-2515E (dual-core, 3mb Cache, 2.5 GHz, 35w TDP)
All processor options use the same complementary Intel QM67 chipset. As you can see from the processor specs, not only are those all chips with "embedded" designation (i.e. extended life cycle support, etc.), but they offer the new technologies at a wide range of performance and economy. That is quite remarkable, and makes these new serial differential signaling technology-based modules suitable for a variety of performance-oriented applications.

Note that while Advantech's Atom-based COM-Micro and COM-Express modules use fanless aluminum heat sinks for cooling, the much higher thermal design power of the Sandy Bridge chips does require an active fan that works in conjunction with a large heatsink.

The SOM-5890 board has the following features:

  • It can be ordered with four different "Sandy Bridge" second gen i5/i7 processors
  • Wide Thermal Design Power range (17 to 45 watts)
  • Intel QM67 chipset
  • Supports 8 USB 2.0, 2 SATA II, HD audio, 2 UARTs, 8-bit GPIO
  • Expansion via 1 PEGx16, 7 PCIex1, LPC, SPI, SMBus, I2C
  • Intel 10/100/1000 Mbps LAN (Intel 82579LM)
  • Intel integrated GPU
  • Dual DDR3 1066/1333 MHz slots
  • HDMI/DVI/Displayport, and video up to 2048 x 1536 pixel

The SOM-DB5800

We tested the SOM-5890 in a development carrier board. The SOM-DB5800 is an ATX form factor COM-Express development board that complies with the COM Express standard from the PCI Industrial Computer Manufacturers Group. It looks just like a standard ATX motherboard except for the sockets designed to accommodate a COM-Express or COM-Micro board.

Our test setup (shown to the right) consisted of a SOM-DB5800 development board, a full-size ATX power supply (re-routed from a donor PC), a SOM-5890 CPU board, a 24-inch HP LCD, and Windows Embedded Standard on an 80GB Maxtor DiamondMax 21 SATA hard disk supplied and pre-loaded by Advantech..

The 12 x 9.6-inch development board, which is compliant with PICMG COM.0 R2.0 (Type 6 Pin-out), essentially offers a standard PC environment with PCI Express, mini-PCIe, SDIO Card, and ExpressCard expansion interfaces and the following features and connectors:

  • Accommodates any COM-Micro or COM-Express board
  • 1 PCIe x16 slot
  • 1 PCIe x4 slot
  • 1 PCIe x1 slot
  • 1 Mini-PCIe slot
  • 2 Express Card sockets
  • 1 SDIO Card socket (Mux with GPIO)
  • 1 LPC
  • 8 GPIO
  • 1 SMBus
  • 1 I2C
  • 1 SPI
  • LVDS (18/24-bit single or dual channel)
  • HDMI/Displayport
  • 1 standard VGA
  • 1 TV-out
  • 4 SATA Type B
  • 1 EIDE
  • 1 FDD
  • 1 RS232 (D-SUB 9P)
  • 1 RS232/422/485
  • 2 2-Wire RS232
  • 1 LPT Parallel
  • 2 PS/2
  • 8 USB 2.0
  • 4 USB 3.0
The DB5800 development board is a very flexible platform that covers a wide variety of interface, expansion and video technologies. It also provides a variety of legacy interface technologies should those be required.

Performance: benchmark comparison between quad-core i7 SOM-5890 and Atom-powered boards

Our review SOM-5890 COM Express module came with the top-of-the-line Intel Core i7-2715QE quad-core/eight-thread processor running at 2.1GHz. Though Intel lists it as a "mobile" processor, this is definitely a high end chip with a Thermal Design Power of 45 watts, as much or more than most standard notebooks. Since embedded systems almost always run on external power, power draw isn't much of an issue, except when it comes to heat generation and economy. As is, the massive cooling sink and small fan were more than a match for the powerful processor; things never even got warm.

The purpose of the benchmarks below is not to show that an advanced second generation Intel Core i7 chip is faster than Atom processors. That goes without saying, given the much higher price, much higher power consumption, and vastly higher complexity of a processor like the Core i7-2715QE compared to relatively simple low-power Atom chips. We did, however, wonder how much faster the Core-based module would be.

For benchmarking we used both PassMark 6.1 and CrystalMark 2004R3, our standard benchmark suites. Here are the results (for the benchmarks, higher always better):

BENCHMARK PERFORMANCE SOM-5890 (Core i7-2715QE) SOM-6760 (Atom Z530) SOM-5761 (Atom N270)
TDP 45 watts 2.3 watts 2.5 watts
CPU Mark 4,099.9 315.6 321.1
2D Graphics Mark 311.6 207.2 192.5
Memory Mark 795.8 191.6 199.1
Disk Mark 150.7 70.7 74.6
3D Graphics Mark 325.3 19.6 71.5
Overall PassMark 1,363.0 137.3 190.7
CPU Alu 53083 5376 5413
CPU FPU 54,373 4,667 4,726
Memory 27,262 3,667 4,172
HDD 8,974 2,702 2,676
GDI 5,691 2,427 2,239
D2D (Sprites) 3,041 1,009 2,180
OpenGL 2,711 505 704
Overall CrystalMark 2004R2 155,138 20,353 22,110
Playback 1280x720 HD movie in QuickTime Flawless 4-5 fps (choppy) 8-10 fps (choppy)

The results speak for themselves. While the Atom-based boards we tested earlier performed amazingly well and primarily different in certain subsystem performance criteria, the Atom benchmarks also made clear why their performance level is usually described as "targeted," i.e. just as much as is needed for the job. It is then up to the system designer/integrator to decide the sweet spot between cost, power draw and performance.

The SOM-5890 equipped with the high-end Core i7-2715QE processor is in an entirely different league. We're talking 10-12X raw processor performance, and about 7X overall system performance. The figures will vary, of course, depending on subsystems and configuration, but the bottom line is that the SOM-5890 provides tons of performance. More, in fact, than we ever benchmarked for any system in the RuggedPCReview.com (which, in fairness, concentrates on mobile equipment). And those benchmark figures were achieved with a fairly slow hard disk and integrated graphics. Systems configured with SSD and discrete graphics will be that much faster yet.

Why pick a COM-Express board for your embedded project?

The COM-Express industry standard was created to provide embedded systems designers and integrators with boards that are available with a wide variety of CPUs, support state-of-the-art all-LVDS (Low-voltage differential signaling) interfaces, but still provide some legacy support. In Atom-powered configurations, COM-Express boards can now be had with inexpensive, modern, forward-looking processor families instead of slowed-down versions of older Intel chips. In multi-core Core i5 or i7 configurations, COM-Express boards can provide blistering performance, making the standard suitable for a very wide variety of embedded applications.

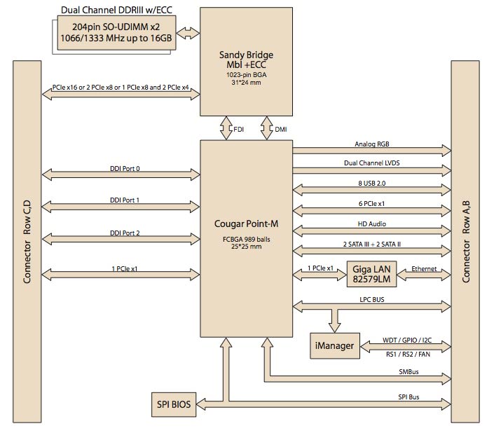
Below is the schematic of the SOM-5890 Advantech COM Express module:

The side-by-side specifications below compare the quad-core SOM-5890 with an Atom-based COM-Express product. The list includes data from both Advantech and Intel sources available online.


Advantech COM-Express CPU modules specifications: high and low end
PRODUCT SOM-5890 (Core i7-2715QE) SOM-5761 (Atom N270)
Type COM-Express CPU module COM-Express CPU module
Processor Intel Core i7-2715QE Intel Atom N270
Processor codename "Sandy Bridge" "Diamondville"
Clock Speed 2.1GHz 1.6GHz
Cores 4 1
CPU Thermal Design Power 45 watts 2.5 watts
CPU package size 31mm x 24mm 22mm x 22mm
L2 cache 6 MB "smart cache" 512 KB L2
CPU transistors almost 1 billion 47 million
Intel Virtualization Technology Yes No
Enhanced Intel Speedstep Yes Yes
Intel Demand Based Switching No No
Enhanced Halt State No No
Front Side Bus NA 533MHz
BIOS AMI 64 Mbit Flash AWARD 8MBit Flash
Chipset Intel QM67 Intel 945GSE/ICH7M
Chipset size 25mm x 25mm 27mm x 27mm
Chipset TDP 3.9 watts 6 watts (82945GSE) + 3.3 watts (ICH7M)
Chipset code name "Cougar Point" "Calistoga"
Chipset tech documents see here see here
Memory up to 8GB DDR3 1066/1333MHz in two 204-pin SODIMM up to 2GB DDR2 400/533MHz in one 200-pin SODIMM
VRAM unknown DVMT 3.0 supports up to 224MB
Graphics Engine Intel HD Graphics Intel GMA950; DirectX 9.1
LCD Single and dual channel 18/24-bit LVDS 36-bit LVDS
VGA Up to 2048 x 1536 Up to 2048 x 1536
Dual display CRT + 3 ports shared (HDMI/DVI/Displayport) CRT + LCD, CRT + TV, LCD + TV
Ethernet Intel 82579LM 10/100/1000 Intel 82574L 10/100/1000
Watchdog Timer 65536 timer intervals from 0 to 65535 sec 256 timer intervals from 0 to 255 sec or min, set up via software
PATA none 1 EIDE (UDMA 100)
SATA 2 x SATAIII (6.0 Gb/s), 2 x SATAII (3.0 Gb/s) 2 x SATA (up to 150 MB/s)
USB 8 x USB 2.0, 4 x USB 3.0 8 x USB 2.0
GPIO 8-bit GPIO 8-bit GPIO
Expansion LPC, 7 PCIex1, 1 PEGx16, SMBus, I2C LPC, 3 PCIe, 4 PCI master
Expansion slots none none
Audio High definition audio interface AC97, High definition audio interface
Power Consumption unknown Typical: 7.4 watts; Max: 10.8
Operating temp 32 - 140F 32 - 140F
Dimensions 3.74 x 4.92 inches 3.74 x 4.92 inches
Product brochure SOM-5890 SOM-5761

Advantech Corporation
38 Tesla, Suite 100
Irvine, CA 92618
Toll Free: 1-800-866-6008
Ph: 949-789-7178
Fax: 949-789-7179
ECGInfo@advantech.com
www.advantech.com

Advantech Co. Ltd.
No.1, Alley 20, Lane 26, Rueiguang Road
Neihu District, Taipei Taiwan 114, R.O.C.
Tel: 886-2-2792-7818
Fax: 886-2-2794-7301
www.advantech.com